JTAG和SWD的調試技術及應用
時間:2024-12-17 來源:華清遠見
引言
在一些常見的嵌入式系統的開發當中,硬件的調試接口是極其重要的,但是一些傳統的調試方法往往存在一些可能致命的問題。比如串口調試雖然簡單容易使用,但是實時性較差,不夠精確。單步執行的話,雖然精確度高,但是又存在操作復雜的問題。傳統的調試方法往往受到速度、準確性和調試精度的限制。
為了解決這些問題,JTAG(聯合測試行動組,Joint Test Action Group)和SWD(Serial Wire Debug)作為兩種主要的調試協議,廣泛應用于嵌入式開發中。它們提供了高效的硬件調試手段,不僅能夠實現單步執行、斷點設置、變量監控等常規調試功能,還能夠深入底層硬件,進行更復雜的系統級調試。
JTAG 和 SWD
JTAG(聯合測試行動組)
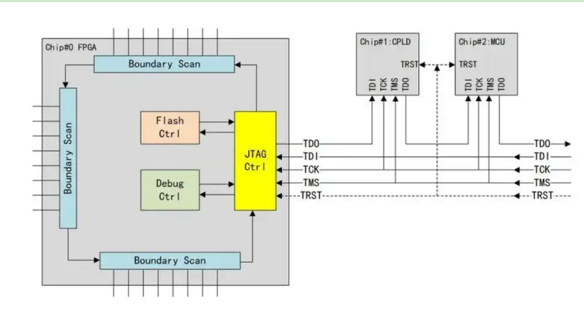
大多說人可能聽過JTAG,并且用它給MCU或者FPGA燒錄過程序,或者對開發板進行過調試,JTAG 最初是為了解決硬件板級測試問題而提出的,它是一種標準化的調試接口,那什么是標準化的調試接口呢?比如說在PCB板上存在三種廠家的芯片,那如果想對三個芯片都進行測試的話就需要一個適應所有芯片的代碼,會非常的龐大且單一性較強,所以才有了像JTAG這些標準化的調試接口。

JTAG 協議基于一個串行通信接口,由四個主要的信號線(上圖中的實線部分)和一個復位引腳組成(虛線部分)主要通過四個信號引腳進行數據傳輸:
· TDI(Test Data In):測試數據輸入,用于接收數據到目標設備。
· TDO(Test Data Out):測試數據輸出,用于輸出從目標設備獲取的數據。
· TMS(Test Mode Select):測試模式選擇,通過該信號來選擇不同的工作模式。
· TCK(Test Clock):測試時鐘,提供時鐘信號以驅動數據傳輸。
通過這四個信號,JTAG 能夠控制和訪問目標設備的各個寄存器、內存以及執行控制流程。
我們在使用JTAG進行調試時,一般不會在我們寫好的代碼當中去調用JTAG的接口,而是通過JTAG調試器來與硬件進行交互。一般會與我們的開發環境進行配合,比如我們常見的GDB調試工具。下面我舉了一個簡單的例子來使用JTAG進行調試。

下面我將對上面的C語言程序使用GDB和JTAG進行調試
1. 編譯程序,為了使用 GDB 和 JTAG 進行調試,我們需要編譯程序并生成調試信息。使用 -g 參數編譯程序,這樣 GDB 才能讀取符號信息

2. 假設已經連接了一個 JTAG 調試器(如 ST-Link 或 J-Link),可以使用 OpenOCD 啟動調試服務器。這個服務器會通過 JTAG 接口與目標硬件通信。在 OpenOCD 啟動命令行中指定調試器接口和目標設備

執行結束后會啟動OpenOCD,對GDB調試命令進行監聽。
3. 啟動GDB并且加載好編譯的文件

4. 連接GDB到OpenOCD在 GDB 中,連接到運行 OpenOCD 的調試服務器
GDB 會連接到 OpenOCD,后者通過 JTAG 連接到目標設備。

1. 設置斷點并且調試
l 設置斷點:可以設置斷點在 main 函數或任何其他地方(例如,剛剛插入的 __asm("bkpt #0"))。
l break main:會在main函數的開頭設置一個斷點
l 運行程序:使用 continue 命令運行程序,GDB 會在斷點處暫停。
l 單步執行:當程序在斷點處暫停時,可以單步執行代碼:(step 進入函數 next 執行下一行,不進入函數)
l 查看寄存器:可以查看 CPU 寄存器的內容,例如查看程序計數器 PC(info registers)
l 查看變量值:還可以查看某個變量的值,例如查看 i(print i)
l 退出 GDB:調試結束后,你可以退出 GDB。
2. 調試器和JTAG的交互
l 當程序運行到 __asm("bkpt #0") 斷點時,JTAG 調試器會暫停程序的執行,GDB 會接管控制。
l 你可以通過 GDB 調試命令來執行單步調試、查看寄存器和內存內容、設置更多斷點等。
l TAG 在這個過程中負責與硬件進行交互,GDB 通過 JTAG 通道控制程序執行。
以上就是JATG的基本使用方法。那下面我們再來說一下SWD
SWD(Serial Wire Debug)調試技術
SWD是我們在學習STM32過程中最常見的燒錄接口SWD是由ARM公司為其處理器(特別是Cortex系列)開發的一種串行調試接口。它的設計目的是為了在有限的引腳資源下提供高效、低功耗的調試解決方案,尤其適用于嵌入式應用和資源受限的系統。
SWD是一個2線(或4線)接口,相比JTAG節省了許多硬件資源,典型的接口信號有:
l SWDIO(Serial Wire Debug Input/Output):串行數據輸入/輸出
l SWCLK(Serial Wire Clock):時鐘信號
l NRST(可選,復位信號):目標設備的復位信號
SWD提供了與JTAG類似的調試功能,但采用串行方式進行數據傳輸,相對占用更少的引腳。
如果想進行SWD的實際調試,只需要將上面示例中的JTAG更換成SWD即可
JTAG和SWD在系統調試中的應用
以上示例就是JTAG和SWD的簡單使用,那在實際的應用開發當中,這兩種調試方法我們應該如何去選擇呢?這就需要了解一下兩種技術的優缺點
首先,JTAG技術具有廣泛的硬件支持,很多嵌入式的芯片和處理器都提供了JTAG接口,JATG接口通常提供了豐富的調試功能,包括讀取和寫入寄存器、訪問內存、硬件斷點等。因為JTAG提供了更多的控制和功能,所以更適用于比較復雜的嵌入式操作系統。但是由于它的并行性和較多的控制線,硬件實現會更加復雜。

SWD的硬件設計更為簡化,只需要少量的引腳,所以在資源受限的系統中更加容易執行,但是提供的功能不如JTAG豐富。

那JTAG vs. SWD:如何選擇?
在選擇JTAG還是SWD時,應考慮以下因素:
1、硬件支持
首先,檢查目標芯片是否支持所需的調試接口。如果芯片只支持其中一種接口,選擇已支持的接口是明智的。
2、性能需求
如果你需要更高的通信速度和較低的功耗,那么SWD可能是更好的選擇。但如果你需要豐富的調試功能,可能需要使用JTAG。
3、系統復雜性
對于較復雜的系統,特別是涉及多個處理器核心或FPGA的系統,JTAG通常更適用,因為它提供了更多的控制和功能。
4、成本考慮
考慮硬件成本和復雜性。SWD通常更簡單,因此在資源有限的系統中可能更經濟實惠。
5、開發工具
確保你的開發工具和調試器支持你選擇的接口。大多數現代調試工具都同時支持JTAG和SWD。
結論
JTAG和SWD都是重要的嵌入式系統調試接口,各自具有優勢和劣勢。選擇哪種接口取決于項目需求、硬件支持和性能要求。對于復雜的系統,可能需要使用JTAG以獲得更多的控制和功能,而對于資源有限的系統,SWD可能更適合。綜合考慮這些因素,可以幫助你做出明智的選擇,以便更有效地進行嵌入式系統開發和調試。

