利用單片機制作報警器及報警系統常見問題分析
時間:2018-07-26 來源:未知
利用單片機制作報警器及報警系統常見問題分析,在現代社會,家庭安全、財產安全和社會公共安全已成為人們普遍關注的問題。小偷闖入大門,爬上窗戶,博物館展品沒有理由失去,河水水位上升…這一系列問題與人們的生活息息相關。
針對這種現象,我們利用單片機原理,專門設計了一種簡單的報警裝置來解決這些問題。
一、設計規劃
1、整體構思系統,確定工作原理。
2、用Protel99設計電路圖,確定所需元件參數,并由此設計PCB圖。
3、購買所需元件和實驗板,依據PCB焊接電路。
4、用KeilC51編寫程序,并用仿真器仿真通過,下載至芯片AT89S52。
5、調試硬件系統,符合預期構想。
6、創新改進系統。
二、原理設計

原理簡介
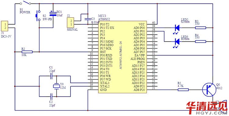
通過單片機AT89S52控制紅色LED2、綠色LED1、蜂鳴器U1和監測信號端口J2,C3排除干擾信號。圖中S2、EC1和R2組成單片機復位電路,三極管Q0起音頻放大作用,晶振Y0為12MHz,J1接DC5V電源。
工作描述
安全情況下,綠燈點亮,紅燈熄滅,喇叭無聲;一旦信號監測端口有脈沖或電平變化(依場合設置為高脈沖或低脈沖,高電平或低電平)出現,即觸發報警器進入報警狀態,紅綠燈交替閃爍,喇叭發出警報聲。
除非關閉電源或按下復位鍵,否則會報警不止,從而達到報警目的。
三、硬件設計
1、PCB的設計

PCB屬性:單面板7.62×5.08cm2 (可依場合小型化)
2、元器件清單

3、元件安裝圖

4、布線圖

四、單片機程序
1、程序流程圖

2、C語言程序
#include
#define Signal 0x00 //脈沖信號定義
sbit LED_G=P0^0; //綠燈驅動端口
sbit LED_R=P0^1; //紅燈驅動端口
sbit Pulse=P2^0; //脈沖信號檢測端口
sbit Buzzer=P2^1; //喇叭驅動端口
unsigned int Count=0;//閃爍時間計數
//延時1毫秒函數
void Delay_ms(unsigned int ms)
{
unsigned char Temp;
while(ms--)
for(Temp=0;Temp<120;Temp++);
}
//高脈沖信號掃描函數
unsigned char Key_Scan()
{
if(Pulse==0)
{
Delay_ms(100);
if(Pulse==1)
{
Delay_ms(200);
return Signal;
}
else return 0xff;
}
else return 0xff;
}
//定時器0初始化
void Timer_Start()
{
TMOD=0x01;
TH0=0xfc;
TL0=0x18;
TR0=0;
ET0=1;
EA=1;
}
//定時器0中斷服務函數,閃燈和鳴喇叭
void Timer0_Serve()interrupt 1
{
TH0=0xfc;
TL0=0x18;
Count++;
if(Count>=200)
{
Count=0;
LED_G=~LED_G;
LED_R=~LED_G;
Buzzer=~Buzzer;
}
}
//主函數
void main()
{
unsigned char Key_Code;
Timer_Start();
LED_G=0;
LED_R=1;
Buzzer=1;
Pulse=1;
while(1)
{
Key_Code=Key_Scan();
switch(Key_Code)
{
case Signal:TR0=1;break;
default:break;
}
}
}
3、匯編程序
;程序名稱:
; 簡易報警器
;硬件資源:
; 紅色LED-------------P2.3
; 綠色LED-------------P2.4
; 蜂鳴器--------------P2.0
; 脈沖輸入------------P3.4
;-------------------------------------
;端口定義
ledg equ p2.4
ledr equ p2.3
bzzr equ p2.0
pls equ p3.4
;-------------------------------------
;數據存儲
pulse equ 20h.0
;-------------------------------------
;程序代碼
org 0000h
jmp main
org 0100h
;系統初始化
init :
clr pulse
setb ledr
clr ledg
setb bzzr
setb pls
ret
;延時ms毫秒
delay_ms:
mov r7,a
delay1 :mov r6,#5
delay2 :mov r5,#100
djnz r5,$
djnz r6,delay2
djnz r7,delay1
ret
;脈沖檢測
pls_ch :
jb pls,fail
mov a,#1
call delay_ms
jnb pls,succ
jmp fail
succ :setb pulse
jmp exit
fail :clr pulse
exit :ret
;報警信號產生
alarm :
cpl bzzr
cpl ledr
mov c,ledr
cpl c
mov ledg,c
ret
;主程序
main :
call init
scan :call pls_ch
jb pulse,start
jmp scan
start :call alarm
mov a,#200
call delay_ms
jmp start
end
說明:匯編程序的設計思路與C語言的有所不同,程序更高效和緊湊,建議選用。
五、應用舉例
1、家庭安全:在J2端口接一個大面積按鍵,置于門口地毯之下,夜間打開報警器,只要有人踏上地毯,J2獲得一個低脈沖,即觸發報警,如果再在窗欞上安置一個滑觸開關,一同接入J2端口,則可達到綜合防盜目的。
2、文物安全:在J2端口接一個小按鍵,置于博物館文物之下,全天打開報警器,只要有人拿起文物,按鍵彈起,J2端口立即獲得一個高脈沖,即觸發報警,如果再增加同樣的檢測端口和指示燈,則可對多個文物同時監控。
3、水利安全:在J2端口接一個浮力觸發裝置,放置在江邊,設定水位報警點,一旦達到危險水位,同樣報警,如果在江邊安置一個水位到電壓的傳感器,經AD轉換送入單片機,可實時遠程監測水位變化。
……
六、功能擴展
在脈沖端口接入一個溫度傳感器,如DS18B20,單片機通過對溫度采樣,可實現自動溫度超限報警。
……
說明:本報警器作為一個簡單的單片機應用設計,適用于畢業設計或課程設計,而且可依據需求進行相應的擴展設計。
七、常見問題
利用單片機應用系統進行報警的常用方法是什么?
常用的方法就是把采集到的數據送到單片機應用系統進行處理,與該參數的上、下限給定值進行比較,若超過給定值時則進行報警,否則,就作為正常值進行顯示或控制。
利用單片機應用系統進行報警的常用方法是什么?
在單片機報警系統中,發光二極管常用何種型號的集成電路驅動?
由于發光二極管的驅動電流在20~30mA,所以不能用TTL門電路的輸出直接啟動。在單片機報警系統中,發光二極管常見的驅動方法是采用OC門進行驅動,如74LS06或74LS07等型號的OC門。
單片機報警系統有哪兩種程序設計方法?
依據報警參數和傳感器劃分,簡單的報警程序可分為兩種:一種是全軟件報警程序,另一種是硬件申請,軟件處理報警程序。
怎樣使用全軟件報警程序的方法實現報警?
全軟件件報警程序的基本方法是:作業現場的被測參數經傳感器、變送器、模/數轉換器送到單片機后,再與規定的上、下限給定值相比較,根據比較的結果進行報警或處理,其整個過程都由軟件實現。
怎樣用硬件申請、軟件處理報警程序的方法實現報警?
使用這種報警方法時,報警要求不是通過程序比較法得到的,而是直接由傳感器產生的。在發現警性,傳感器發出報警要求之后,立即向CPU提出中斷申請,CPU響應中斷后,立刻進入中斷服務程序,實現報警或對參數、位置實現監控。例如:電接點壓力式報警,吊車的限位控制等。
報警程序根據系統中的參數的要求,可以分為哪兩種程序?
報警程序根據系統和參數的要求,可以分為簡單的越限報警和報警處理程序兩種。

